Memdabad Road, Ahmedabad - 382445, Gujarat. sales@suryascientific.com

Our Location

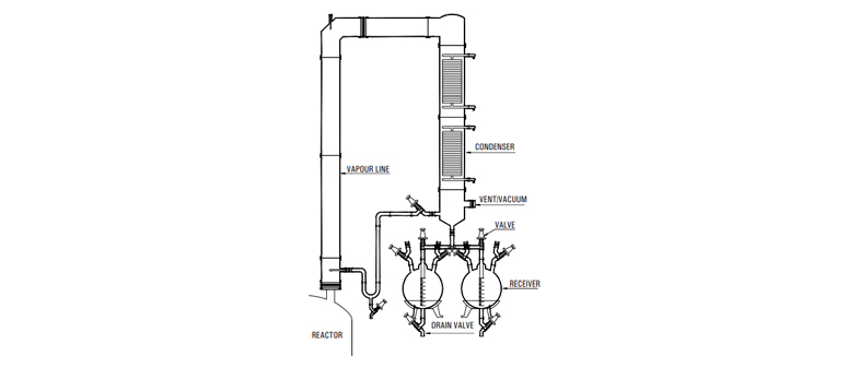
Assembly over GLR

Assembly over GLR

Glass Lined Reactors are used instead of glass reactors specially when scale of operation is large and relatively high pressure steam is to be used as heating media. Quite often assemblies like Simple Distillation Unit, Reaction Distillation Unit, Fractional Distillation Unit etc. are installed above glass lined reactors. The basic features of these assemblies remain the same but glass shell and tube heat exchanger is preferred due to large scale of operation. A typical fractional distillation unit type assembly over GLR is shown in adjacent figure.

Cat.Ref. Reactor Cap. Vapour column Condenser HTA M2
GRU 250 250 L 80mmX1.5m 1.5X2
GRU 500 500 L 100mmX2m 1.5X2
GRU 1000 1000 L 100mmX2m 2.5X2
GRU 2000 2000 L 150mmX3m 2.5X3
GRU 3000 3000 L 150mmX2m 4.0X2