In most of the glass plants, vessels are used as reactors, receivers, separators, measuring or feed vessels.
Vessels are available in Spherical shape from 5Ltr to 500Ltr. & in cylindrical shape from 5Ltr to 800Ltr capacity. Cylindrical vessels can be supplied with glass jackets too
All the vessels are provided with a bottom outlet for which a suitable valve can be chosen from our range of valves.
SPHERICAL VESSEL - GENERAL DATA
| Nominal Capacity (Ltrs.) | Maximum Pressure (Bar) |
|---|---|
| 5 | 1 |
| 10 | 0.8 |
| 20 | 0.7 |
| 50 | 0.5 |
| 100 | 0.4 |
| 200 | 0.3 |
| 300 | 0.2 |
| 500 | 0.1 |
| Nominal Capacity (Ltrs.) | L | D | DN | T | DN1 | B | DN2 | P | DN3 | S |
|---|---|---|---|---|---|---|---|---|---|---|
| 5 | 425 | 225 | 50 | 75 | 25 | 125 | 25 | 50 | 40 | 75 |
| 10 | 575 | 285 | 80 | 90 | 25 | 200 | 25 | 50 | 40 | 75 |
| 20 | 650 | 350 | 100 | 100 | 25 | 200 | 25 | 50 | 40 | 75 |
| 50 | 840 | 490 | 150 | 150 | 40 | 200 | 40 | 75 | 100 | 100 |
| 100 | 950 | 600 | 225 | 150 | 40 | 200 | 40 | 75 | 100 | 100 |
| 200 | 1200 | 750 | 300 | 250 | 40 | 200 | 40 | 75 | 100 | 100 |
| 300 | 1310 | 860 | 400 | 250 | 50 | 200 | 50 | 75 | 100 | 100 |
| 500 | 1450 | 1000 | 450 | 250 | 50 | 200 | 50 | 75 | 150 | 165 |
SINGLE NECK SPHERICAL VESSELS
| Cat.Ref. | Nominal Capacity | L | DN |
|---|---|---|---|
| VSA5 | 5 L | 300 | 50 |
| VSA10 | 10 L | 375 | 80 |
| VSA20 | 20 L | 450 | 100 |
| VSA50 | 50 L | 640 | 150 |
| VSA100 | 100 L | 750 | 225 |
| VSA200 | 200 L | 1000 | 300 |
| VSA300 | 300 L | 1110 | 400 |
| VSA500 | 500 L | 1250 | 450 |
THREE NECK BOTTOM OUTLET SPHERICAL VESSELS
| Cat.Ref. | Nominal Capacity | L | DN | DN1 | DN2 |
|---|---|---|---|---|---|
| VSM5 | 5 L | 425 | 50 | 25 | 25 |
| VSM10 | 10 L | 575 | 80 | 25 | 25 |
| VSM20* | 20 L | 650 | 100 | 25 | 25 |
| VSM50* | 50 L | 840 | 150 | 40 | 40 |
| VSM100 | 100 L | 950 | 225 | 40 | 40 |
| VSM200 | 200 L | 1200 | 300 | 40 | 40 |
| VSM300 | 300 L | 1310 | 400 | 50 | 50 |
| VSM500 | 500 L | 1450 | 450 | 50 | 50 |
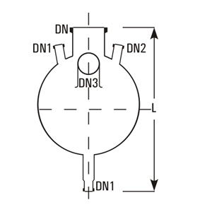
FOUR NECK BOTTOM OUTLET SPHERICAL VESSELS
| Cat.Ref. | Nominal Capacity | L | DN | DN1 | DN2 | DN3 |
|---|---|---|---|---|---|---|
| VSPL5 | 5 L | 425 | 50 | 25 | 25 | 40 |
| VSPL10 | 10 L | 575 | 80 | 25 | 25 | 40 |
| VSPL20 | 20 L | 650 | 100 | 25 | 25 | 40 |
| VSPL50 | 50 L | 840 | 150 | 40 | 40 | 100 |
| VSPL100 | 100 L | 950 | 225 | 40 | 40 | 100 |
| VSPL200 | 200 L | 1200 | 300 | 40 | 40 | 100 |
| VSPL300 | 300 L | 1310 | 400 | 50 | 50 | 100 |
| VSPL500 | 500 L | 1450 | 450 | 50 | 50 | 150 |
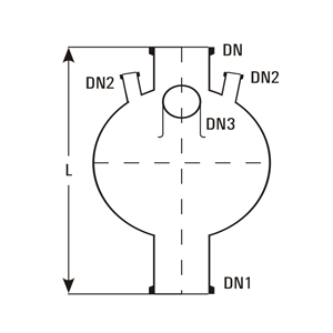
FIVE NECK BOTTOM OUTLET SPHERICAL VESSEL
| Cat.Ref. | Nominal Capacity | L | DN | DN1 | DN2 | DN3 |
|---|---|---|---|---|---|---|
| VSL5 | 5 L | 425 | 50 | 25 | 25 | 40 |
| VSL10 | 10 L | 575 | 80 | 25 | 25 | 40 |
| VSL20 | 20 L | 650 | 100 | 25 | 25 | 40 |
| VSL50* | 50 L | 840 | 150 | 40 | 40 | 100 |
| VSL100* | 100 L | 950 | 225 | 40 | 40 | 100 |
| VSL200* | 200 L | 1200 | 300 | 40 | 40 | 100 |
| VSL300 | 300 L | 1310 | 400 | 50 | 50 | 100 |
| VSL500 | 500 L | 1450 | 450 | 50 | 50 | 150 |
FIVE NECK BOTTOM OUTLET SPHERICAL VESSEL
| Cat.Ref. | Nominal Capacity | L | DN | DN1 | DN2 | DN3 |
|---|---|---|---|---|---|---|
| VS 5 | 5 L | 425 | 50 | 25 | 25 | 40 |
| VS 10 | 10 L | 575 | 80 | 25 | 25 | 40 |
| VS 20 | 20 L | 650 | 100 | 25 | 25 | 40 |
| VS 50* | 50 L | 840 | 150 | 40 | 40 | 100 |
| VS 100* | 100 L | 950 | 225 | 40 | 40 | 100 |
| VS 200* | 200 L | 1200 | 300 | 40 | 40 | 100 |
| VS 300 | 300 L | 1310 | 400 | 50 | 50 | 100 |
| VS 500 | 500 L | 1450 | 450 | 50 | 50 | 150 |
SPHERICAL VESSELS WITH NOZZLE AT 90°
These vessels are used in Circulatory Boiler System and are to be supported on a vessel holder. More nozzles can be provided on the equator on request for special requirements.
| Cat.Ref. | Nominal Capacity | L | DN | DN1 | DN2 | DN3 |
|---|---|---|---|---|---|---|
| VSD5 | 5 L | 425 | 50 | 25 | 25 | 40 |
| VSD10 | 10 L | 500 | 80 | 25 | 25 | 40 |
| VSD20 | 20 L | 575 | 100 | 25 | 25 | 40 |
| VSD50 | 50 L | 765 | 150 | 40 | 40 | 100 |
| VSD100 | 100 L | 875 | 225 | 40 | 40 | 100 |
| VSD200 | 200 L | 1125 | 300 | 40 | 40 | 100 |
| VSD300 | 300 L | 1235 | 400 | 50 | 50 | 100 |
| VSD500 | 500 L | 1375 | 450 | 50 | 50 | 150 |
SPHERICAL RECEIVERS
Receivers are provided with builtin drip pipe. These are to be supported on a vessel holding ring.
| Cat.Ref. | Nominal Capacity | L | DN | DN1 | (100) DN2 | (100) DN3 |
|---|---|---|---|---|---|---|
| VR5* | 5 L | 350 | 25 | 25 | 25 | |
| VR10* | 10 L | 425 | 25 | 25 | 25 | |
| VR20* | 20 L | 500 | 25 | 25 | 25 | |
| VR50 | 50 L | 675 | 40 | 25 | 25 | |
| VRB5* | 5 L | 350 | 25 | 25 | 25 | 25 |
| VRB10* | 10 L | 425 | 25 | 25 | 25 | 25 |
| VRB20* | 20 L | 500 | 25 | 25 | 25 | 25 |
| VRB50 | 50 L | 675 | 40 | 25 | 25 | 25 |
ADDITION VESSELS
These vessels are provided with a short bottom outlet. These should be supported on a vessel holder/ holding ring.
| Cat.Ref. | Nominal Capacity | L | DN | DN1 |
|---|---|---|---|---|
| VA5 | 5 L | 375 | 50 | 25 |
| VA10 | 10 L | 450 | 80 | 25 |
| VA20 | 20 L | 525 | 100 | 25 |
| VA50 | 50 L | 715 | 150 | 25 |
| VA100 | 100 L | 875 | 225 | 40 |
| VA200 | 200 L | 1125 | 300 | 40 |
| VA300 | 300 L | 1235 | 400 | 50 |
| VA500 | 500 L | 1375 | 450 | 50 |
SPHERICAL VESSELS WITH WIDE BOTTOM OUTLET
These vessels are generally used to fit immersion exchangers in the bottom. Special heating mantle or bath should be used if used with.
| Cat.Ref. | Nominal Capacity | L | DN | DN1 | DN2 | DN3 |
|---|---|---|---|---|---|---|
| VSR50 | 50 L | 790 | 150 | 150 | 40 | 100 |
| VSR100 | 100 L | 900 | 225 | 150 | 40 | 100 |
| VSR200 | 200 L | 1150 | 300 | 150 | 40 | 100 |
| VSE50 | 50 L | 840 | 150 | 225 | 40 | 100 |
| VSE100 | 100 L | 950 | 225 | 225 | 40 | 100 |
| VSE200 | 200 L | 1200 | 300 | 225 | 40 | 100 |
VESSELS WITH BOTTOM OUTLET VALVE SEAT
To fit a bottom outlet valve (BAL type) all spherical and cylindrical vessels can be supplied with valve seat in bottom outlet. For this, Add a suffix "/B" to the catalogue reference of a vessel, for e.g. 'VSL50’ should be mentioned as 'VSL50/B'
Notes on use of Spherical vessels
- Generally, the centre nozzle, referred as DN in all types of vessels, is used for either stirrer fixing or if stirrer is not fixed, for vapour outlet.
- The bottom outlet, referred as DN1 in all types is used for drain. However, in type VSR & VSE, it is also used for fixing immersion heat exchanger.
- The small side nozzles, referred as DN2 in all types, are used
- (a) to fix thermometer pocket or,
- (b) to fix dip pipe for liquid inlet or,
- (c) to fix sparger for gas purging or,
- (d) to fix vacuum control or vent valve or
- (e) for solid addition
- The bigger side nozzle, referred as Dn3, is used for vapour outlet where stirrer is fixed on centre neck. It can also be used for cleaning in case centre neck is used for vapour outlet
- Vessels having long bottom outlet, viz VSM, VSPL, VSL, VS etc, can be supported in a heating mantle of heating bath. However, vessels having short bottom outlet, viz VSD, VR, VA etc. are to be supported on a vessel holder only. In case of vessels upto 20L size, vessel holding rings can be used instead of vessel holder.
CYLINDRICAL VESSELS
Cylindrical vessels of 50 Litres and abovemust be supported in a vessel holder.
| Cat.Ref. | Nominal Capacity | DN | DN1 | L | L1 |
|---|---|---|---|---|---|
| VZ5/4 | 5 L | 100 | 25 | 850 | 175 |
| VZ10/6 | 10 L | 150 | 25 | 775 | 175 |
| VZ20/9 | 20 L | 225 | 25 | 750 | 175 |
| VZ20/12 | 20 L | 300 | 40 | 575 | 175 |
| VZ50/12 | 50 L | 300 | 40 | 1000 | 175 |
| VZ50/16 | 50 L | 400 | 40 | 710 | 175 |
| VZ100/16 | 50 L | 400 | 40 | 1050 | 175 |
| VZ100/18 | 100 L | 450 | 40 | 900 | 175 |
| VZ150/16 | 150 L | 400 | 40 | 1450 | 175 |
| VZ150/18 | 150 L | 450 | 40 | 1225 | 175 |
| VZ200/18 | 200 L | 450 | 40 | 1500 | 175 |
| VZ300/24 | 300 L | 600 | 50 | 1340 | 175 |
CYLINDRICAL VESSEL COVERS
| Cat.Ref. | DN | DN1 | DN2 | L |
|---|---|---|---|---|
| VZA4 | 100 | 40 | 2x25 | 200 |
| VZA6 | 150 | 40 | 2x40 | 200 |
| VZA9 | 225 | 50 | 3x25 | 250 |
| VZA12 | 300 | 80 | 3x40 | 250 |
| VZA16 | 400 | 100 | 3x40 | 275 |
| VZA18 | 450 | 100 | 4x40 | 275 |
| VZA24 | 600 | 100 | 4x40 | 300 |
KETTLES
Kettles are similar to cylindrical vessels but having a reduced top neck
| Cat.Ref. | Nominal Capacity | DN | DN1 | L | L1 | d |
|---|---|---|---|---|---|---|
| KZ200 | 200 L | 300 | 40 | 1400 | 175 | 485 |
| KZ350 | 350 L | 400 | 50 | 1500 | 175 | 620 |
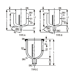
JACKETTED VESSELS
For special applications, cylindrical vessels can be supplied with a jacket for heating or cooling. Jacket is sealed to the vessel with Viton 'O' ring and other sealing compositions. The seal prevents high stresses between vessel and jacket by allowing the movement flexibility between two due to thermal expansion.
Glass Jackets
Glass Jacket can be used for a maximum operating pressure of 0.5 bar and a maximum o operating temperature of 130 C in jacket. The temperature difference between jacket & vessel 0 should not be exceed than120 C
| Cat.Ref. | L | L1 | L2 | A | B | D1 | D2 | DN | DN1 | DN2 | TYPE |
|---|---|---|---|---|---|---|---|---|---|---|---|
| VZD5/6 | 500 | 325 | 125 | 75 | 275 | 165 | 215 | 150 | 25 | 25 | A |
| VZD10/9 | 575 | 400 | 125 | 90 | 340 | 230 | 280 | 225 | 25 | 25 | B |
| VZD20/12 | 625 | 450 | 125 | 100 | 385 | 315 | 370 | 300 | 25 | 40 | B |
| VZD30/12 | 750 | 575 | 175 | 100 | 510 | 315 | 370 | 300 | 25 | 40 | B |
| VZD50/12/14 | 1050 | 875 | 175 | - | - | 315 | 365 | 300 | 25 | 40 | C |
| VZD50/16/20 | 825 | 650 | 175 | - | - | 415 | 500 | 400 | 25 | 40 | C |
| VZD100/20/24 | 955 | 780 | 175 | - | - | 516 | 600 | 500 | 25 | 40 | C |
| VZD200/24/28 | 1175 | 1000 | 175 | - | - | 615 | 700 | 600 | 25 | 40 | C |
JACKETED VESSELS (TRIPLE WALL)
Surya is presenting Flexi (Detachable) “Transparent Double Jacketed Vessel” to maintain the leading position in industry by way of developing indigenously newer products with higher value towards their Mission and to cater the customer via innovation.
Salient Features
Made from SCHOTT DURAN
- Vacuum Jacket ensures
- Transparent insulation.
- Minimum heat loss
- Process visibility.
- Minimize frost formation for cryogenics operation
- Vacuum Jacket & main vessels are detachable ensures
- Ease of cleaning
- No breakages due to thermal expansion.
- Partial Replacement of any part can be possible reduce the maintenance cost.
| Cat.Ref. | L | L1 | L2 | A | B | D1 | D2 | DN | DN1 | DN2 |
|---|---|---|---|---|---|---|---|---|---|---|
| VZT5/6/8 | 620 | 350 | 175 | 75 | 310 | 215 | 275 | 150 | 25 | 25 |
| VZT10/9/12 | 700 | 420 | 175 | 90 | 370 | 315 | 390 | 225 | 25 | 25 |
| VZT20/12/14 | 675 | 500 | 175 | 125 | 368 | 365 | 423 | 300 | 25 | 40 |
| VZT50/16/18 | 825 | 650 | 175 | 200 | 350 | 465 | 523 | 400 | 25 | 40 |
DIP PIPES
Dip pipes are used as liquid inlet for sphericalvessels.
| Cat.Ref. | For Vessel | DN | DN1 | d | L |
|---|---|---|---|---|---|
| DP20/1* | 20 L | 25 | 25 | 12 | 300 |
| DP50/1.5* | 50 L | 40 | 25 | 19 | 400 |
| DP100/1.5* | 100 L | 40 | 25 | 19 | 500 |
| DP200/1.5* | 200 L | 40 | 25 | 19 | 600 |
SHORT DIP PIPES
Short dip pipes are used as re-entry tubes forvessels, heat exchangers etc.
| Cat.Ref. | DN | DN1 | d | L | L1 |
|---|---|---|---|---|---|
| DP1/1 | 25 | 25 | 12 | 100 | 100 |
| DP1.5/1 | 40 | 25 | 19 | 100 | 100 |
| DP1.5/1.5 | 40 | 40 | 19 | 100 | 100 |
| DP2/1 | 50 | 25 | 25 | 100 | 100 |
| DP2/1.5 | 50 | 40 | 25 | 100 | 100 |
| DP3/1.5 | 80 | 40 | 37 | 100 | 125 |
| DP4/1 | 100 | 25 | 25 | 100 | 150 |
| DP4/2 | 100 | 50 | 50 | 100 | 150 |
GAS SPARGERS
Gas spargers are used for gas feed/sparging in the vessels
| Cat.Ref. | For Vessel | DN | DN1 | d | L | No.of Holes |
|---|---|---|---|---|---|---|
| SPG20/1 | 20 L | 25 | 25 | 12 | 300 | 5x1mm |
| SPG50/1.5 | 50 L | 40 | 25 | 19 | 400 | 5x1mm |
| SPG100/1.5 | 100 L | 40 | 25 | 19 | 500 | 5x1mm |
| SPG200/1.5 | 200 L | 40 | 25 | 19 | 600 | 5x1mm |
THERMOMETER POCKETS
| Cat.Ref. | For Vessel | DN | d | L |
|---|---|---|---|---|
| TP20/1* | 20 L | 25 | 12 | 300 |
| TP50/1.5* | 50 L | 40 | 19 | 400 |
| TP100/1.5* | 100 L | 40 | 19 | 500 |
| TP200/1.5* | 200 L | 40 | 19 | 600 |
HEATING MANTLES
Heating Mantle is used for electrical heating of cylindrical as well as spherical vessels. Also available in flameproof & non-flame proof models. The flameproof heating mantle is similar to normal mantle but the main difference is in construction of heating elements. Heating elements is flameproof by covering it in magnesium oxide powder & SS metal tube. Heater terminal terminate in flameproof cold junction terminal enclosure. All electrical control like regulator, switch, indicating lamp, relay etc. fitted in flameproof switch encloser.
We can also provide flameproof digital temperature indicator cum controller with sensor.
| Cat.Ref. | Vessel Size | D | L | Watts | Circuits | Supply Volts |
|---|---|---|---|---|---|---|
| JMD5 | 5 L | 320 | 190 | 750 | 1 | 230 |
| JMD10 | 10 L | 380 | 220 | 1200 | 2 | 230 |
| JMD20 | 20 L | 485 | 285 | 2000 | 3 | 230 |
| JMD50 | 50 L | 600 | 345 | 3700 | 3 | 415 |
| JMD100 | 100 L | 790 | 470 | 6000 | 3 | 415 |
| JMD200 | 200 L | 920 | 530 | 7500 | 3 | 415 |
| Cat.Ref. | Vessel Size | D | L | Watts | Circuits | Supply Volts |
|---|---|---|---|---|---|---|
| JMD5/F | 5 L | 330 | 200 | 600 | 1 | 230 |
| JMD10/F | 10 L | 440 | 220 | 1000 | 2 | 230 |
| JMD20/F | 20 L | 510 | 285 | 2000 | 3 | 230 |
| JMD50/F | 50 L | 610 | 350 | 3600 | 3 | 415 |
| JMD100/F | 100 L | 790 | 430 | 5200 | 3 | 415 |
| JMD 200/F | 200 L | 940 | 510 | 8400 | 3 | 415 |
HEATING BATHS
Heating baths are used for electrical or steam heating of glass vessels. Depending upon the temperature requirements, different types of thermic fluids or water can be used as heating media. Heating baths are provided with a pair of encased heaters with controller box, a coil for passing the steam or cooling water, a cushioned vessel holding ring, a bottom outlet sealing arrangement, a lid and threaded socket type intlets and outlets.
| Cat.Ref. | Vessel Size | d | L | Watts | HTA Vessel | HTA Coils |
|---|---|---|---|---|---|---|
| SBH20 | 20 L | 480 | 340 | 2x2000 | 0.25 | 0.4 |
| SBH50 | 50 L | 615 | 415 | 2x3000 | 0.5 | 0.6 |
| SBH100 | 100 L | 720 | 535 | 2x4500 | 0.7 | 1 |
| SBH200 | 200 L | 900 | 620 | 2x6000 | 1 | 1.5 |
| SBH300 | 300 L | 1150 | 735 | 3x6000 | 1.85 | 2.5 |
| SBH500 | 500 L | 1385 | 880 | 4x6000 | 2.5 | 4.0 |
COOLING BATHS
Cooling baths are used for cooling the glass vessel with ice crystals. Cooling Baths are provided with a vessel holding ring, bottom outlet sealing arrangement and a lid
| Cat.Ref. | Vessel Size | d | L |
|---|---|---|---|
| BHC20 | 20 L | 480 | 340 |
| BHC50 | 50 L | 615 | 415 |
| BHC100 | 100 L | 720 | 535 |
| BHC200 | 200 L | 900 | 620 |
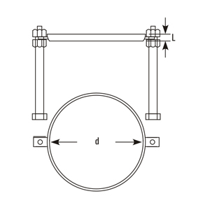
VESSEL HOLDERS
Vessel holders are made of cast aluminum with a plaster lining shaped to fit the vessel. These are to be supported on 3 jacking bolts.
| Cat.Ref. | Vessel Size | D | d | L |
|---|---|---|---|---|
| VSS10* | 10 L | 265 | 160 | 90 |
| VSS20* | 20 L | 325 | 230 | 100 |
| VSS50* | VSS50* L | 390 | 230 | 100 |
| VSS100* | 100 L | 410 | 250 | 100 |
| VSS200 | 200 L | 700 | 400 | 215 |
VESSEL HOLDING RINGS
These metal rings are wrapped with asbestos rope and are to be supported on two jacking bolts.
| Cat.Ref. | Vessel Size | d | L |
|---|---|---|---|
| VRS2 | 2 L | 100 | 15 |
| VRS5* | 5 L | 150 | 15 |
| VRS10* | 10 L | 215 | 15 |
| VRS20* | 20 L | 310 | 15 |
DECANTORS
Decantation is a process of separation of two immiscible liquids having different densities. When these liquids allowed to settle forms two distinct layers, heavier at bottom and lighter at top. Surya has developed a Decantor which is suitable for continuous decantation.
The mixture of liquids is continuously fed in the Decantor at low velocity. This allow sufficient residence time for the formation of separate layers. The light phase liquid is continuously removed from the light phase outlet at the top. The heavy phase liquid enters the dip pipe at lower end and overflow in the discharge pipe and is removed from the bottom.
Surya's Decantor provides continuous separation, visual monitoring, and ensure separation even after feed is stopped.
Decantors can be provided with Adjustable overflow valve, (Type B) to adjust the position of interface for different operating situations.
| Cat.Ref. | Nominal Capacity | L | DN | Inlet DN1 | DN2 | Heavy Phase Outlet DN3 | Drain DN4 | Light Phase Outlet DN5 | Vent DN6 | DN7 | Type |
|---|---|---|---|---|---|---|---|---|---|---|---|
| SPS20 | 20 L | 800 | 80 | 25 | 50 | 25 | 25 | 25 | 25 | 50 | A |
| SPS50 | 50 L | 1025 | 100 | 40 | 50 | 25 | 25 | 40 | 40 | 50 | A |
| SPS100 | 100 L | 1175 | 150 | 40 | 50 | 25 | 25 | 40 | 40 | 50 | A |
| SPS200 | 200 L | 1475 | 225 | 40 | 50 | 25 | 25 | 40 | 40 | 50 | A |
| SPA20 | 20 L | 1000 | 80 | 25 | 50 | 25 | 25 | 25 | 25 | 50 | B |
| SPA50 | 50 L | 1225 | 100 | 40 | 50 | 25 | 25 | 40 | 40 | 80 | B |
| SPA100 | 100 L | 1375 | 150 | 40 | 50 | 25 | 25 | 40 | 40 | 80 | B |
| SPA200 | 200 L | 1675 | 225 | 40 | 50 | 25 | 25 | 40 | 40 | 80 | B |