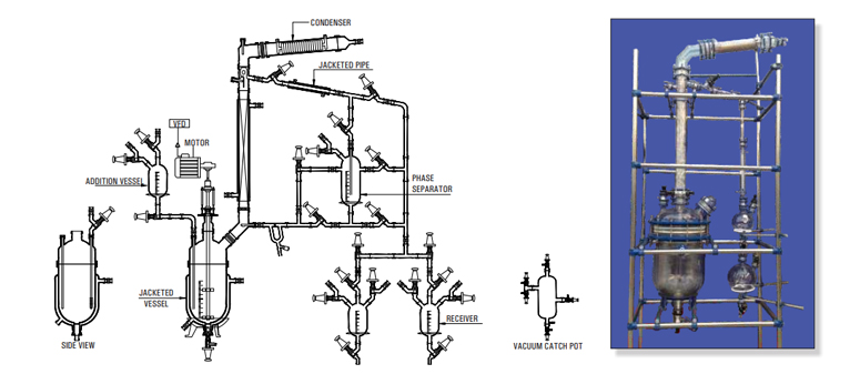
Surya Offer multipurpose pilot plant for chemical and pharmaceutical industries for process development, scale-up, process simulation and kilo-scale cGMP production in batch and semibatch operation. The pilot plant used for chemical processing includes solid charging, liquid charging, reaction, heating / cooling, rectification, auto / manual reflux arrangement, layer separation, product cooler, vacuum catch pot, vacuum header etc.
The multipurpose pilot plant designed in such a way that we can modify the same easily as per process requirement.
Available with
- Jacketed full glass reactor/ Cylindrical full glass reactor with Oil heating cooling bath / Spherical
- full glass reactor with Oil heating cooling bath
- Multipurpose glass distillation overhead
- Stainless steel / MS epoxy coated / MS painted frame supporting
- Flame proof / Non flame proof / cGMP / non GMPmodels available
- Excellent corrosion resistant.
- Temp. Controller
- Gas purging, solid charging / multi liquid addition.
- Vacuum / exhaust piping
- Additional feeders / receivers
- Solid feeding
| Unit Cat.Ref. | Reaction Capacity | Bath KW | Addition Vessel | Vapour Line | Condenser HTA (M²) | Cooler HTA (M²) | Receiver Size |
|---|---|---|---|---|---|---|---|
| MPU 20 | 20 L | 4.0 | 2 L | 80 DN | 0.35 | 0.10 | 2L, 5L |
| MPU 50 | 50 L | 6.0 | 5 L | 100 DN | 0.50 | 0.20 | 5L, 10L |
| MPU 100 | 100 L | 9.0 | 10 L | 150 DN | 1.50 | 0.35 | 10L, 20L |
| MPU 200 | 200 L | 12.0 | 20 L | 150 DN | 1.50 | 0.35 | 10L, 20L |
| MPU 300 | 300 L | 18.0 | 20 L | 225 DN | 2.50 | 0.50 | 20L, 20L |
| MPU 500 | 500 L | 24.0 | 5 L | 300 DN | 4.00 | 0.70 | 50L, 50L |